Dopo questi lunghi periodi in cui non è stato possibile prendere il nostro camper ho trovato diverse volte la batteria a terra. Se le zone Rosse ci avessero permesso di andare a verificare costantemente le condizioni, le batterie si sarebbero salvate, ricaricandole prima che scendessero sotto la loro tensione minima.
Allora ho pensato come avrei potuto verificare le mie batterie direttamente da casa.
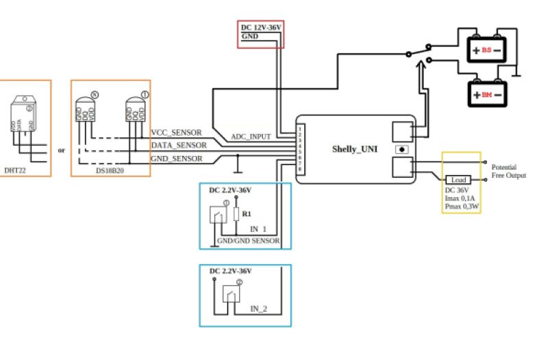
Dato che nel mio camper ho già un cellulare con Hotspot attivato, dovevo solo trovare un modo per inviare sul cloud la lettura di tensione delle batterie.
Cosi mi sono imbattuto nello Shelly UNI che funziona a 12V e ha un ADC per leggere la tensione delle batterie. Inoltre è gestito da una bellissima App gratuita che ti permette di ricevere delle notifiche quando la batteria si sta scaricando e attivare molte altre “scene” con il solo limite della nostra fantasia.
Dopo alcune prove ho verificato che il circuito funziona perfettamente e permettere di leggere la tensione della batteria sia localmente che da casa con l’uso del Cloud Shelly gratuito.
Per misurare sia la Batteria dei Servizi che la Batteria Motore ho deciso di aggiungere allo Shelly UNI un Relè esterno che mi permette di selezionare la linea da misurare. Il pilotaggio del relè viene effettuato semplicemente da una uscita dello stesso Shelly UNI gestibile sempre dalla APP.
Lo shelly UNI costa davvero poco (meno di 15€) e viene venduto con un piccolo manualetto in cui vengono spiegati i collegamenti.
Oltre a leggere la tensione delle batterie può anche leggere la temperatura in tre diversi punti del nostro camper oppure la temperatura e l’umidità in un solo punto e può leggere due segnali di ingresso e pilotare due segnali di uscita (uno occupato dal relè)
Lo Shelly UNI viene però venduto come un circuito OEM e quindi bisogna adoperarsi per inserirlo in un piccolo contenitore che lo possa ospitare.
Essendo difficile supportare su diversi siti e forum chi vuole montarsi questo semplice circuito ho pensato di pubblicare una pagina Facebook in modo da poter rispondere a tutti concentrando su di essa le domande.
www.fb.com/SmartCamperCheck
In questo articolo vi lascio lo schema di collegamento dello Shelly UNI che dovete fare nel vostro camper.
        
    
							
